电动保温球阀BQ941F、BQ971F-工作原理~规格型号
电动保温球阀
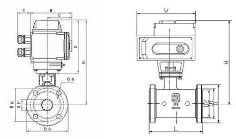
阀门型号:BQ941F、BQ971F
通径规格:DN15~DN200mm
结构形式:法兰分体式、对夹整体式
阀体材质:铸钢(WCB)、不锈钢(304、316、316L)
公称压力:PN1.0、1.6、2.5MPa
适用温度:-17℃-450℃
应用范围:容易凝固的高粘度介质
产品特点:具有良好的保温保冷特性
电动保温球阀概述:
电动保温球阀一般用于夹套内走加热/伴热介质的场合,防止物料结晶堵塞管道,特别是一些不经常开关,物料流动性不是很好的地方。电动保温球阀根据使用工况不同,夹套可以是冷凝水,用于因为过热而析出晶体,也可以用热水、蒸汽和导热油等做伴热用,其具有良好的保温保冷特性,常用于输送常温下会凝固的高粘度介质。
电动保温球阀应用:
电动保温球阀主要由带夹套球阀与(开关型、调节型)电动执行机构组成,用在需要保持一定温度,或者介质冷却容易堵塞阀门,伴热保温。比如液流的保温要求在135-145度,低于指标液流会冻结,如果阀门不用蒸汽夹套的话,会造成阀门无法操作。
电动保温球阀参数:
| 公称通径 | DN15~DN200(mm) |
| 公称压力 | 1.0、1.6、2.5MPa |
| 连接形式 | 对夹、法兰 |
| 结构形式 | 分体式、整体式 |
| 驱动形式 | 电源驱动AC220V、AC380V、DC24V(其它特制) |
| 动作范围 | 0~90° |
| 阀芯结构 | O型阀芯 |
| 阀体材质 | 铸钢(WCB)、不锈钢(304、316、316L) |
| 密封材料 | PTFE(聚四氟乙烯)、PPL(对位聚苯)、金属密封(硬质合金) |
| 使用介质 | 易凝固介质 |
| 控制方式 | 开关式(两位切断)、调节型(阀门定位器4~20mA信号) |
电动保温球阀结构图:

电动保温球阀实物图:

电动保温球阀可选功能:
| 可选功能 | |
| 防爆功能 | 防爆等级:Exd II BT4 |
| 调节功能 | 输入输出4-20mA、O- 5V.DC、0- 10V.DC |
| 手动功能 | 可装配手动装置,开阀、关阀功能 |
【声明】:
以上文章或资料除注明为上海威尔顿阀门有限公司自创或编辑整理外,均为各方收集或网友推荐所得。其中摘录的内容以共享、研究为目的,不存在任何商业考虑。
目前网站上有些文章未注明作者或出处,甚至标注错误,此类情况出现并非不尊重作者及出处网站,而是因为有些资料来源的不规范。如果有了解作者或出处的原作者或网友,请告知,本网站将立即更正注明,并向作者道歉。
被摘录的对象如有任何异议,请与本站联系,联系邮箱szweierdun@126.com,本站确认后将立即撤下。谢谢您的支持与理解!
